Trạm Nguồn Thủy Lực
Mô tả :
Bảo hành: 1 - 2 năm
Tuổi thọ: hơn 20 năm
Bảng tra thông số Trạm nguồn Việt Hà
Vận tốc xi lanh (Dv = cm/s)
Lưu lượng hệ thống (Dv = lít/phút)
Áp suất hệ thống (Dv = bar)
Công suất của hệ thống (Dv = Watt)
Trạm nguồn thủy lực việt hà
Trạm nguồn thủy lực Việt Hà – VHHPU được thiết kế dựa theo một loạt các tiêu chuẩn về hệ thống, thiết bị và modul thủy lực, đảm bảo độ ổn định, phù hợp với các yêu cầu cao nhất về chế độ làm việc của hệ thống và tuổi thọ của thiết bị. Việt Hà với đội ngũ kỹ thuật dày dạn kinh nghiệm, tư vấn chuyên sâu, sẽ đưa ra sự lựa chọn tối ưu nhất cả về chi phí lẫn chất lượng.
Dựa trên yêu cầu cụ thể từ phía khách hàng, ứng dụng cụ thể của sản phẩm, Việt Hà thiết kế trạm nguồn tương ứng, tư vấn cho khách hàng về dung tích thùng dầu, màu sắc, nguyên liệu chế tạo; sử dụng loại bơm phù hợp (lưu lượng, áp suất, công suất…), cách lắp đặt; việc sử dụng van và các phụ kiện khác. Từ đó tạo nên sản phẩm đảm bảo chất lượng cũng như đem lại sự hài lòng tuyệt đối cho khách hàng.

Cấu tạo Trạm nguồn thủy lực
- Bơm thủy lực
- Mô Tơ
- Hệ thống van thủy lực gồm:
- Van 1 chiều
- Van an toàn
- Van Solenoid
- Van tiết lưu
- Và một vài van khác tùy hệ thống
- Thùng dầu
- Bộ phận điện
- Các phụ kiện khác
Thông số kĩ thuật Trạm nguồn thủy lực
Tốc độ quay: 1000 ÷ 3000 v/p
Áp suất làm việc đạt đến 350 bar
Công suất đạt đến 75 kW
Bơm thủy lực: Bơm bánh răng, bơm cánh gạt, bơm piston
Xuất xứ phụ tùng: Đức, Italia, Hàn Quốc…
Lưu lượng lên đến 500 l/p
Thùng dầu: 50 ÷ 5000 l

Ưu điểm trạm nguồn thủy lực Việt Hà
- Linh kiện nhập khẩu, độ bền cao, tuổi thọ làm việc hơn 20 năm
- Hàng mới 100%
- Thiết kế với thẩm mỹ cao, mẫu mã đẹp
- Rất nhỏ gọn, linh hoạt trong sử dụng
- Hiệu suất làm việc của trạm nguồn rất cao
- Thời gian thiết kế sản xuất nhanh
- Tư vấn chuyên sâu & chi tiết về mọi nhu cầu của khách hàng
Lưu ý quan trọng
- Không điều chỉnh áp mặc định của nhà phân phối.
- Nhiệt độ nhớt lớn nhất không vướt quá 70°C
- Không nên để dầu cạn, vì dễ làm học hóc trạm nguồn
- Dầu có độ nhớt phù hợp từ 15 tới 68 cst
- Thay dầu sau 100 giờ hoạt động đầu tiên và thay dầu định kì sau 3000 giờ
- Chọn vị trí và không gian phù hợp khi lắp đặt

ứng dụng của trạm nguồn thủy lực
Quá trình giải quyết đơn hàng trạm nguồn

Ưu điểm của Trạm nguồn Việt Hà so với Trạm nguồn mẫu
Một trạm nguồn tùy chỉnh được thiết kế riêng cho từng doanh nghiệp luôn mang lại những ưu điểm vượt trội hơn so với việc mua một trạm nguồn mẫu nhập từ nước ngoài:
(1) Bảo Hành Nhanh:
Với trạm nguồn được sản xuất ở Việt Hà, việc bảo hành bảo trì và bảo dưỡng tiện lợi hơn nhiều, Việt Hà cung cấp dịch vụ chăm sóc khách hàng 24/7. Bảo hành 48 tháng, bảo trì định kì, nên có bất kì vấn đề xảy ra với trạm nguồn đều được giải quyết ngay lập tức cho quý khách hàng.
Với Trạm nguồn mẫu của nước ngoài việc bảo hành, bảo trì vô cùng khó khăn. Thứ nhất là khác biệt ngôn ngữ, khác biệt mũi giờ, thứ 2 là dịch vụ bảo hành không được nhanh lẹ vì khoảng cách xa, với hệ thống lớn công ty bạn phải bỏ phí bảo hành rất lớn. mỗi lần bảo trì thủ tục rất cồng kềnh.
(2) Thiết kế sát với yêu cầu khách hàng
Với Trạm nguồn mẫu của nước ngoài quý khách phải thiết kế hệ thống máy móc phụ thuộc theo trạm nguồn, dẫn tới dù quý khách có muốn tùy biến hế thống và phương thức hoạt động của nhà máy cũng không được.
Với Trạm nguồn thủy lực Việt Hà chúng tôi tư vấn trực tiếp và thiết kế theo đúng của ý của khách hàng, tối ưu trạm nguồn cho phù hợp với hệ thống sản xuất, mục đích sử dụng. Vì thế Trạm nguồn thủy lực Việt Hà có thể đáp ứng mọi yêu cầu phát sinh, ngay cả khi tiêu chuẩn ấy không nằm trong quy chuẩn.
(3) Giá thành
Với hệ thông máy ép rác nước ngoài đúng tiêu chuẩn của Nhật giá thành có thể lên tới 3 tỉ. Trong khi Việt Hà thiết kế phù hợp với giá thành của Việt Nam mà chất lượng cũng tương đương. Giá các hệ thống thủy lực nước ngoài đắt là bởi vì thuế xuất nhập khẩu, vận chuyển, chi phí thương mại. Còn Trạm nguồn thiết kế riêng thì miễn được chi phí phát sinh ấy nên giá rẻ hơn nhất nhiều trong khi chất lương lại tốt hơn nhiều.

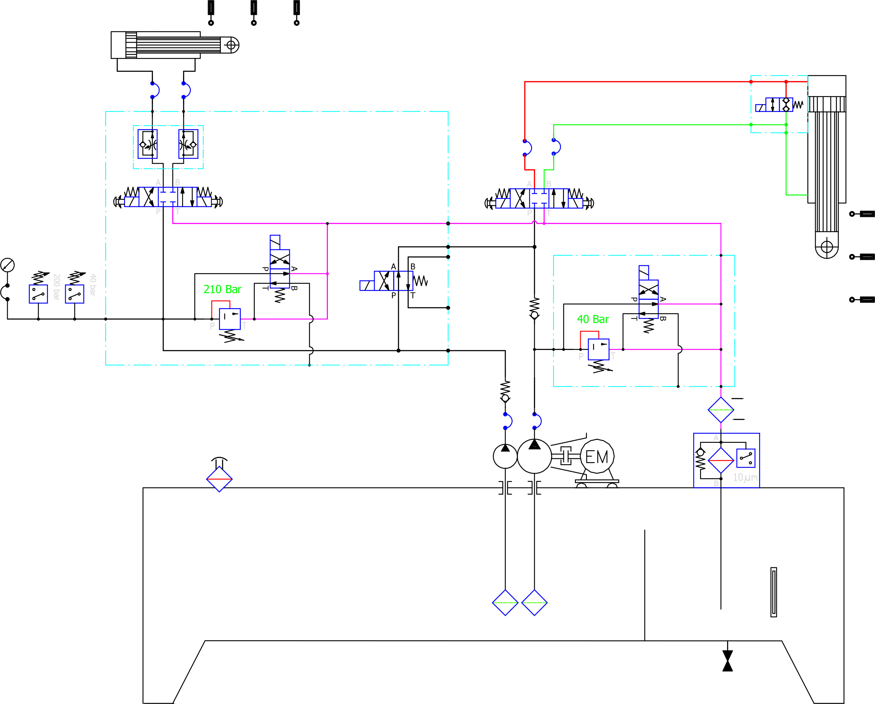
Trạm nguồn 2 xi lanh cho máy ép được thiết kế riêng bởi Việt Hà
Năng lược sản xuất của Việt Hà
Việt Hà là nhà cung cấp chính hãng các sản phẩm thủy lực hàng đầu thế giới như: Joyang - Korea, Oleoweb - ITALIA, OMFB - ITALIA, Galtech - ITALIA, ChiaWang - Đài Loan, Yuken - Đài Loan... Đặc biệt Việt Hà vinh dự là 1 trong 8 đại lý độc quyền của Bosch Rexroth ở việt Nam - Bosch Rexroth là thương hiệu sản suất sản phẩm thủy lực số 1 thế giới.
Việt Hà với hơn 20 năm kinh nghiệm trong ngành thủy lực ở Việt Nam thương hiệu xi lanh thủy lực Việt Hà là thương hiệu duy nhất ở Việt Nam đạt tiêu chuẩn chất lượng được sử dụng trong ngành hàng hải được cấp chứng chỉ của nhà nước.
Đã có rất nhiều Công ty cơ khí ở việt nam đang sử dụng thiết bị thủy lực Việt Hà cho hệ thống, dây chuyền sản xuất của công ty mình, Ví như:



