Gói giải pháp máy lái tàu thủy
Hệ thống điều khiển tàu
Hệ thống lái tàu là một trong nhưng bộ phận cơ bản của tàu thủy và là bộ phận quan trọng nhất trong việc điều khiển hướng di chuyển của tàu. Đặc biệt là những tàu có tải trọng lớn thì để di chuyển được chính xác, nhanh chóng, an toàn thì cần một bộ phận hiệu quả, thao tác dễ dàng, tốn ít công sức nhưng có thể điều khiển hướng tàu theo mong muốn.
Sau khi nghiên cứu tìm hiểu về nguyên lý hoạt động của hệ thống lái thủy lực, chúng tôi đã tiến hành chế tạo, lắp ráp thành công bộ điều khiển tàu thuyền với các tính năng tối ưu và hiệu quả.
Hệ thống lái phải đảm bảo các yêu cầu sau:
- Ổn định hướng cho tàu.
- Điều khiển, thao tác ổn định dễ dàng, các thao tác vệ sinh, bảo trì dễ dàng.
- Làm việc hiệu quả, an toàn, không bị hư hỏng dưới mọi điều kiện thời tiết.
- Mo men lớn, đủ lực.
- Phải đảm bảo tốc độ bẻ lái.
- Kích thước nhỏ gọn, giá thành phải chăng.
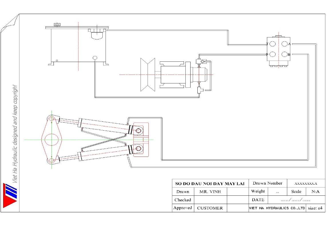
Cấu tạo của bộ lái tàu:

Phần thủy lực bao gồm: 2 xylanh, bơm thủy lực, van an toàn,bót lái, lọc dầu, ống thủy lực, đông hồ thủy lực.
Phần cơ khí: vô lăng,hộp điều khiển, secto lái, bộ giá đỡ xylanh, bộ giá đỡ bơm, chốt, thùng dầu…
Ngoài ra còn có phần điện tử: sen soi góc lái, đồng hồ báo góc lái,…
Các phụ tùng được chọn lọc, thiết kế tối ưu, ổn định. Các phần tử trên được lắp ráp với nhau tạo lên một hệ thống điều khiển lái bằng thủy lực với các thao tác điều khiển đơn giản, dễ dàng. Do được hỗ trợ lái bằng thủy lực nên khi điều khiển lái, quay vô lăng, các thao tác được thực hiện dễ dàng, không cần nhiều lực.
Hiện nay, ngành đánh bắt cá đang hoạt động phổ biến rộng rãi, và là ngành thủy sản có thu nhập cao, cải thiện đời sống xã hội và nếu vẫn sử dụng hệ thống lái theo cách thủ công thì việc khai thác và năng suất sẽ bị hạn chế. Để tăng năng suất, không tốn nhiều sức lao động và làm việc hiệu quả thì không chỉ đầu tư vào công cụ đánh bắt cá trực tiếp thì còn phải đầu tư vào tàu thuyền, bộ lái cũng rất quan trọng. Việc sử dụng hệ thống lái truyền động bằng thủy lực sẽ tăng được tính cơ động mang lại hiệu quả và năng suất lao động cao.
Gói giải pháp kiện máy lái tàu của Việt Hà gồm có
Bộ chỉ góc lái

Séc tơ lái
Thùng dầu
Bốt lái
Hộp Điều Khiển
Bơm thủy lực và giá đỡ
Quy trình thực hiện gói thiết bị cho khách hàng
- Tiếp nhận thông tin và xử lý thông tin khách hàng.
- Khảo sát thực địa của khách hàng.
- Tư vấn thiết kế và tạo phương án cho khách hàng.
- Lên bản vẻ chế tạo lắp đặt và thi công.
- Chạy thử, nghiệm thu và bàn giao công nghệ.
- Thực hiện các dịch vụ sau bán hàng như bảo hành và bảo trì.
Gọi ngay 1900 1594 Để được tư vấn sản phẩm phù hợp nhất




