Bộ nguồn thủy lực mini Hydronit - Italy
Mô tả :
Bảo hành: 6 - 12 tháng
Tuổi thọ: 10 năm
Ưu đãi khi mua Bộ nguồn mini thứ 2 trở đi
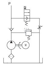
Mạch thủy lực của Bộ nguồn thủy lực mini Hydronit

Thông số kỹ thuật của Bộ nguồn thủy lực mini Hydronit
|
Model |
Động cơ |
Công suất động cơ |
Lưu lượng |
Áp suất làm việc max |
Tanks |
Mã Việt Hà |
|
(V DC) |
(kW) |
(l/phút) |
(MPa) |
(lít) |
||
|
PPC160601HY |
24 |
2.2 |
2400 |
14 |
10 |
00010634 |
1.Động cơ
Động cơ: DC 24V
Công suất: 2,2 kW được trang bị bộ bảo vệ quá nhiệt
Tốc độ động cơ: n = 2400 vòng/phút
Chế độ làm việc:
S2: 3,5 min
S3: 15% ED
Cường độ dòng điện làm việc: 130A
2. Bơm bánh răng nhóm 1 kiểu K
Nhiệt độ dầu làm việc -350C đến 700C
Độ tinh lưới lọc: 20-50 micro
Áp suất làm việc max: 200 Bar
Tốc độ tối đa của bơm: 4500 RPM
3. Center Block tích hợp các van
Van 1 chiều type 3/4 - 16 UNF với lưu lượng dầu Max = 25l/phút
Van tiết lưu có điều chỉnh dòng với đầu nối 3/4 UNF và lưu lượng dầu dẫn 8 - 18,5 l/phút
Đầu bịt 3/4 - 16 UNF
4 Thùng chứa dầu
Thể tích: 10 lít
Thùng tròn bằng thép có trang bị phin lọc, nút nạp dầu kèm lỗ thở, nút tháo dầu
Loại dầu thủy lực thích hợp: dầu khoáng
Nhiệt độ dầu làm việc: -150C - 700C
5. Chân đỡ bộ nguồn:
Thép, cao 47 mm
Lỗ bắt vào bệ đỡ: 4 lỗ D 8,5
Note: Để đặt hàng và nhận tư vấn về các loại Bộ nguồn thủy lực mini khác Quý khách hàng vui lòng liên hệ trực tiếp tới Hotline: 1900 1594 hoặc gởi mail về địa chỉ: Info@viethahcm.com